| № | Изображение | Артикул товара | Наименование | Наличие | Единица измерения | Количество | Цена | Корзина | |
|---|---|---|---|---|---|---|---|---|---|
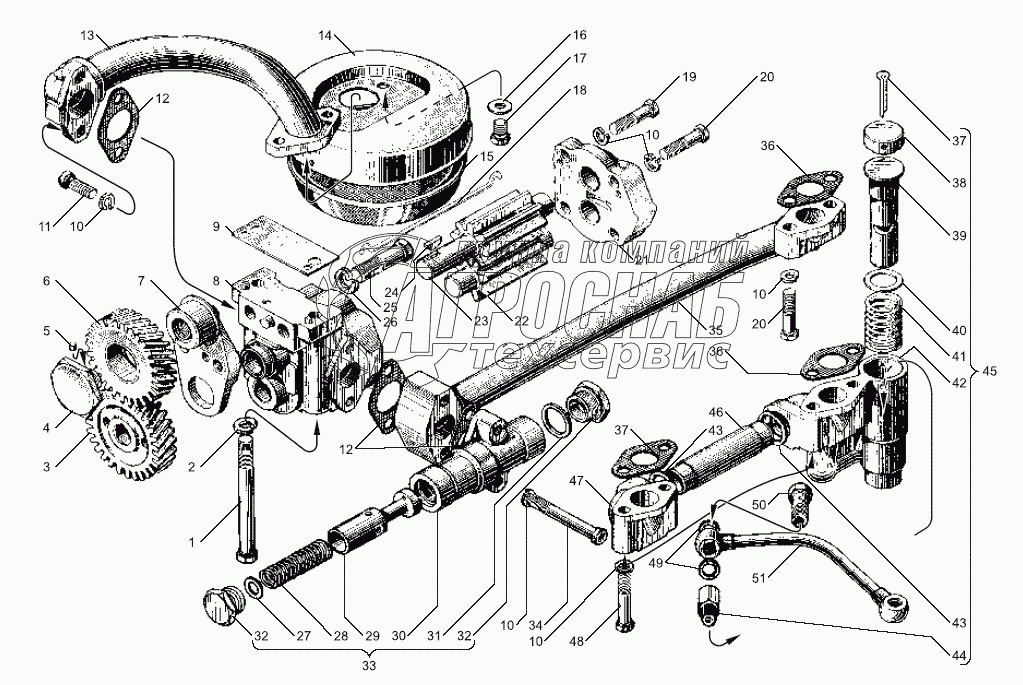
| 1 | 7511.1011014-01 | Насос масляный в сборе | Под заказ | шт | 13 335 ₽13 335 ₽ | ||||
| 2 | 7511.1011015-10 | Корпус насоса в сборе | Под заказ | - | |||||
| 3 | 310254-П2 | Болт | Под заказ | - | |||||
| 4 | 252136-П2 | Шайба 10 пружинная | В наличии | шт | 19 ₽19 ₽ | ||||
| 5 | 238Б-1011230 | Шестерня ведомая привода | Под заказ | - | |||||
| 6 | 236-1011217-В2 | Фланец упорный | Под заказ | - | |||||
| 7 | 236-1011217-В2 | Фланец упорный | Под заказ | - | |||||
| 8 | 236-1011202-А | Шестерня промежуточная привода | Под заказ | - | |||||
| 9 | 236-1011208wB | Ось промежуточной шестерни | Под заказ | - | |||||
| 10 | 7511.1011018-10 | Корпус насоса со втулками в сборе | Под заказ | - | |||||
| 11 | 236-1011380 | Прокладка регулировочная | Под заказ | - | |||||
| 12 | 252135-П2 | Шайба пружинная | В наличии | шт | 6 ₽6 ₽ | ||||
| 13 | 201458-П29 | Болт М8х25 | В наличии | шт | 20 ₽20 ₽ | ||||
| 14 | 236-1011296 | Прокладка переднего фланца | Под заказ | шт | 14 ₽14 ₽ | ||||
| 15 | 238Ф-1011400-В2 | Труба всасывающая с фланцами | Под заказ | - | |||||
| 16 | 238Ф-1011300-А | Чашка заборника в сборе | Под заказ | - | |||||
| 17 | 204А-1011310-В | Сетка заборника в сборе | В наличии | шт | 394 ₽394 ₽ | ||||
| 18 | 252005-П2 | Шайба 8 | Под заказ | - | |||||
| 19 | 201473-П29 | Болт | Под заказ | - | |||||
| 20 | 204А-1011318-Б | Крючок крепления сетки | Под заказ | шт | 116 ₽116 ₽ | ||||
| 21 | 201466-П2 | Болт М8х45 | Под заказ | - | |||||
| 22 | 201464-П2 | Болт М8х40 | Под заказ | - | |||||
| 23 | 238Б-1011019-Б | Крышка масляного насоса со втулками в сборе | Под заказ | - | |||||
| 24 | 7511.1011030 | Шестерня подачи масла ведомая | Под заказ | - | |||||
| 25 | 7511.1011040 | Шестерня подачи масла ведущая | Под заказ | - | |||||
| 26 | 45 9824 6257 | Шпонка | Под заказ | - | |||||
| 27 | 310156-П2 | Болт | Под заказ | - | |||||
| 28 | 252137-П2 | Шайба пружинная | Под заказ | шт | 21 ₽21 ₽ | ||||
| 29 | 312347-П29 | Шайба | Под заказ | - | |||||
| 30 | 238Б-1011058 | Пружина | Под заказ | - | |||||
| 31 | 238Б-1011054 | Клапан | Под заказ | - | |||||
| 32 | 2385-1011050 | Корпус клапана | Под заказ | - | |||||
| 33 | 238Б-1011066 | Прокладка | Под заказ | - | |||||
| 34 | 236-1012067 | Пробка перепускного клапана | Под заказ | - | |||||
| 35 | 2385-1011048 | Клапан редукционный в сборе | Под заказ | - | |||||
| 36 | 200274-П29 | Болт М8х75 | Под заказ | - | |||||
| 37 | 238Б-1011350-Б | Труба отводящая насоса в сборе | Под заказ | - | |||||
| 38 | 236-1011358-A | Прокладка | Под заказ | - | |||||
| 39 | 258071-П29 | Шплинт | Под заказ | - | |||||
| 40 | 236-1011073 | Колпачок | Под заказ | - | |||||
| 41 | 240-1011055 | Клапан | Под заказ | - | |||||
| 42 | 312668-П | Шайба | Под заказ | - | |||||
| 43 | 240-1011057 | Пружина клапана дифференциального | Под заказ | - | |||||
| 44 | 238Б-1011060 | Корпус клапана | Под заказ | - | |||||
| 45 | 240-1005586 | Кольцо уплотнительное | В наличии | шт | 42 ₽42 ₽ | ||||
| 46 | 314681-П29 | Штуцер | Под заказ | - | |||||
| 47 | 2385-1011056 | Клапан дифференциальный в сборе | Под заказ | - | |||||
| 48 | 238Б-1011065 | Труба отводящая | Под заказ | - | |||||
| 49 | 238Б-1011069 | Фланец | Под заказ | - | |||||
| 50 | 200270-П2 | Болт М8х55 | Под заказ | - | |||||
| 51 | 312326-П34 | Шайба уплотнительная | В наличии | шт | 119 ₽119 ₽ | ||||
| 52 | 310096-П2 | Болт специальный М14х1,5х30 | Под заказ | - | |||||
| 53 | 238Б-1011098 | Труба соединительная в сборе | Под заказ | шт | 791 ₽791 ₽ |