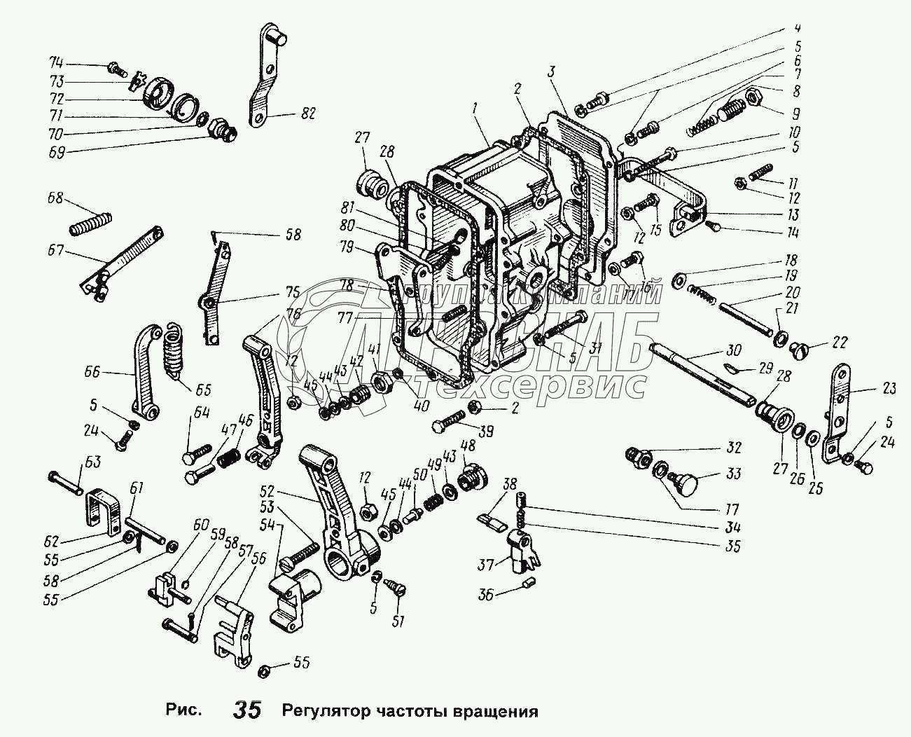
Каталог запасных частей к технике: ЯМЗ-238 АМ. Регулятор частоты вращения

Регулятор частоты вращения

zoom-in zoom-out enlarge shrink circle-right circle-left file-text2 info cart
4
5
5
6
7
8
8
8
8
8
8
9
10
11
12
13
14
15
15
15
15
16
17
18
19
20
20
21
22
23
24
25
26
27
27
28
29
30
30
31
31
32
33
34
35
36
37
38
39
40
41
42
43
44
45
46
46
47
47
48
48
49
50
51
52
53
54
55
56
57
58
59
59
59
60
61
62
62
62
63
64
65
66
67
68
69
70
71
72
73
74
75
76
77
78
79
80
81
82
83
84
85
86
Изображение Артикул товара Наименование Наличие Единица измерения Количество Цена Корзина
1
236-1110443-Б Рычаг рейки в сборе Под заказ -
2
201416-П29 Болт М6х12 Под заказ шт 7 ₽7 ₽
2
201416-П29 Болт М6х12 Под заказ шт 0 ₽
3
805.1110380 Скоба кулисы Под заказ -
4
60.1110129 Крышка регулятора Под заказ -
5
236-1110499-А3 Прокладка крышки смотрового люка Под заказ -
6
60.1110498 Крышка смотрового люка Под заказ -
7
310611-П15 Винт Под заказ -
8
252154-П29 Шайба пружинная Под заказ -
9
236-1110500 Винт крепления крышки смотрового люка Под заказ -
10
236-1110490 Пружина буферная Под заказ -
11
60.1110492 Корпус буферной пружины Под заказ -
12
311511-П15 Гайка Под заказ -
13
310612-П15 Винт Под заказ -
14
236-1110200 Винт регулировочный Под заказ -
15
250508-П29 Гайка М6 Под заказ -
16
80.1110380 Скоба кулисы Под заказ -
17
852000-П29 Болт Под заказ -
18
310142-Ш5 Болт регулировочный Под заказ -
19
222580-П29 Винт Под заказ -
20
312353-П Шайба Под заказ -
21
312700-П15 Шайба Под заказ -
22
236-1110089 Пружина компенсационная Под заказ -
23
236-1110088 Ось рычагов Под заказ -
24
312446-П Шайба Под заказ -
25
310608-П15 Винт-заглушка Под заказ -
26
236-1110149-Б3 Рычаг управления регулятором Под заказ -
27
201418-П29 Болт М6х16 Под заказ -
28
312347-П15 Шайба Под заказ -
29
236-1110482 Кольцо уплотнительное Под заказ -
30
236-1110476-Б Втулка вала рычага пружины Под заказ -
31
236-1110479 Кольцо уплотнительное втулки вала рычага Под заказ шт 17 ₽17 ₽
32
314003-П Шпонка сегментная Под заказ -
33
236-1110467 Вал рычага пружины Под заказ -
34
222539-П15 Винт Под заказ -
35
236-1110392 Ввертыш оси скобы Под заказ -
36
236-1110390 Ось скобы Под заказ -
37
236-1110372-Б Фиксатор кулисы Под заказ -
38
236-1110374-Б Пружина фиксатора Под заказ -
39
60.1110220 Ползун кулисы Под заказ -
40
60.1110132 Кулиса Под заказ -
41
236-1110136-Б Ось кулисы Под заказ -
42
852002-П15 Болт регулировочный Под заказ -
43
236-1110418 Кольцо пружинное упорное Под заказ -
44
311512-П15 Гайка Под заказ -
45
236-1110416 Корпус пружины корректора Под заказ -
46
312652-П15 Шайба регулировочная Под заказ -
47
236-1110141 Шайба регулировочная Под заказ -
48
236-1110140 Шайба регулировочная Под заказ -
49
236-1110414 Пружина корректора Под заказ -
50
805.1110412 Корректор Под заказ -
51
236-1110412 Корректор Под заказ -
52
852881-П15 Пробка Под заказ -
53
240Б-1110414 Пружина корректора Под заказ -
54
60.1110264 Упор пружины Под заказ -
55
852351-П15 Винт стопорный Под заказ -
56
60.1110406 Рычаг регулятора Под заказ -
57
852350-П15 Винт Под заказ -
58
60.1110263 Втулка корректора в сборе Под заказ -
59
312370-П15 Шайба Под заказ -
60
60.1110266 Рычаг корректора со штифтом в сборе Под заказ -
61
852780-П15 Палец Под заказ -
62
258012-П15 Шплинт Под заказ -
63
60.1110265 Кольцо пружинное Под заказ -
64
60.1110223-01 Кулиса корректора Под заказ -
65
236-1110066 Ось пяты упорной Под заказ -
66
236-1110433 Серьга регулятора Под заказ -
67
317849-П5 Палец Под заказ -
68
310305-П15 Болт регулировочный Под заказ -
69
236-1110462 Пружина регулятора Под заказ -
70
236-1110466-А Рычаг пружины Под заказ -
71
236-1110454 Тяга рейки с планкой в сборе Под заказ -
72
236-1110448 Пружина рычага рейки Под заказ -
73
236-1110134-Б Ввертыш оси кулисы Под заказ -
74
236-1110394 Кольцо уплотнительное в сборе Под заказ -
75
236-1110396 Пружина скобы кулисы возвратная Под заказ -
76
236-1110398 Крышка возвратной пружины Под заказ -
77
236-1110262 Шайба скобы кулисы Под заказ -
78
236-1110376 Ось рычага останова Под заказ -
79
60.1110443 Рычаг рейки Под заказ -
80
238НБ-1110406-А2 Рычаг регулятора Под заказ -
81
852358-П29 Винт регулировочный Под заказ -
82
236-1110154-А Прокладка крышки регулятора Под заказ -
83
236-1110080 Рычаг двуплечий Под заказ -
84
242519-П15 Винт Под заказ -
85
250511-П15 Гайка Под заказ -
86
238НБ-1110149-А Рычаг управления регулятором Под заказ -
Содержащиеся в справочниках-каталогах запасные части и детали не предлагаются к продаже, а носят исключительно информационный характер


Наши преимущества