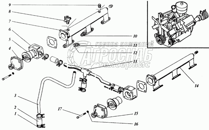
Каталог запасных частей к технике: ЯМЗ-238 АК. Термостаты системы охлаждения

Термостаты системы охлаждения

zoom-in zoom-out enlarge shrink circle-right circle-left file-text2 info cart
1
2
3
4
5
6
7
8
9
10
11
12
16
13
14
15
12
16
17
Изображение Артикул товара Наименование Наличие Единица измерения Количество Цена Корзина
1
316215-П Хомут в сборе Под заказ -
2
236-1306084 Рукав соединительный Под заказ шт 212 ₽212 ₽
3
236-1306080-А Трубка перепускная Под заказ -
4
236-1306054-010 Прокладка коробки Под заказ -
5
ТС107-1306100-006 Термостат Под заказ -
6
236-1306052 Коробка водяного термостата Под заказ -
7
238-1003290-030 Труба водяная правая Под заказ -
8
КР2-1305010-Г Краник Под заказ -
9
262507-П2 Пробка К 3/8" Под заказ -
10
236-1003292 Прокладка фланца Под заказ шт 18 ₽18 ₽
11
250511-П29 Гайка Под заказ шт 22 ₽22 ₽
12
252135-П2 Шайба пружинная В наличии шт 6 ₽6 ₽
13
236-1306070-А2 Трубка соединительная Под заказ -
14
238-1003291-030 Труба водяная левая Под заказ -
15
236-1306053 Патрубок коробок термостата Под заказ -
16
252135-П2 Шайба пружинная В наличии шт 6 ₽6 ₽
17
200276-П29 Болт М8х85 Под заказ -
Содержащиеся в справочниках-каталогах запасные части и детали не предлагаются к продаже, а носят исключительно информационный характер


Наши преимущества