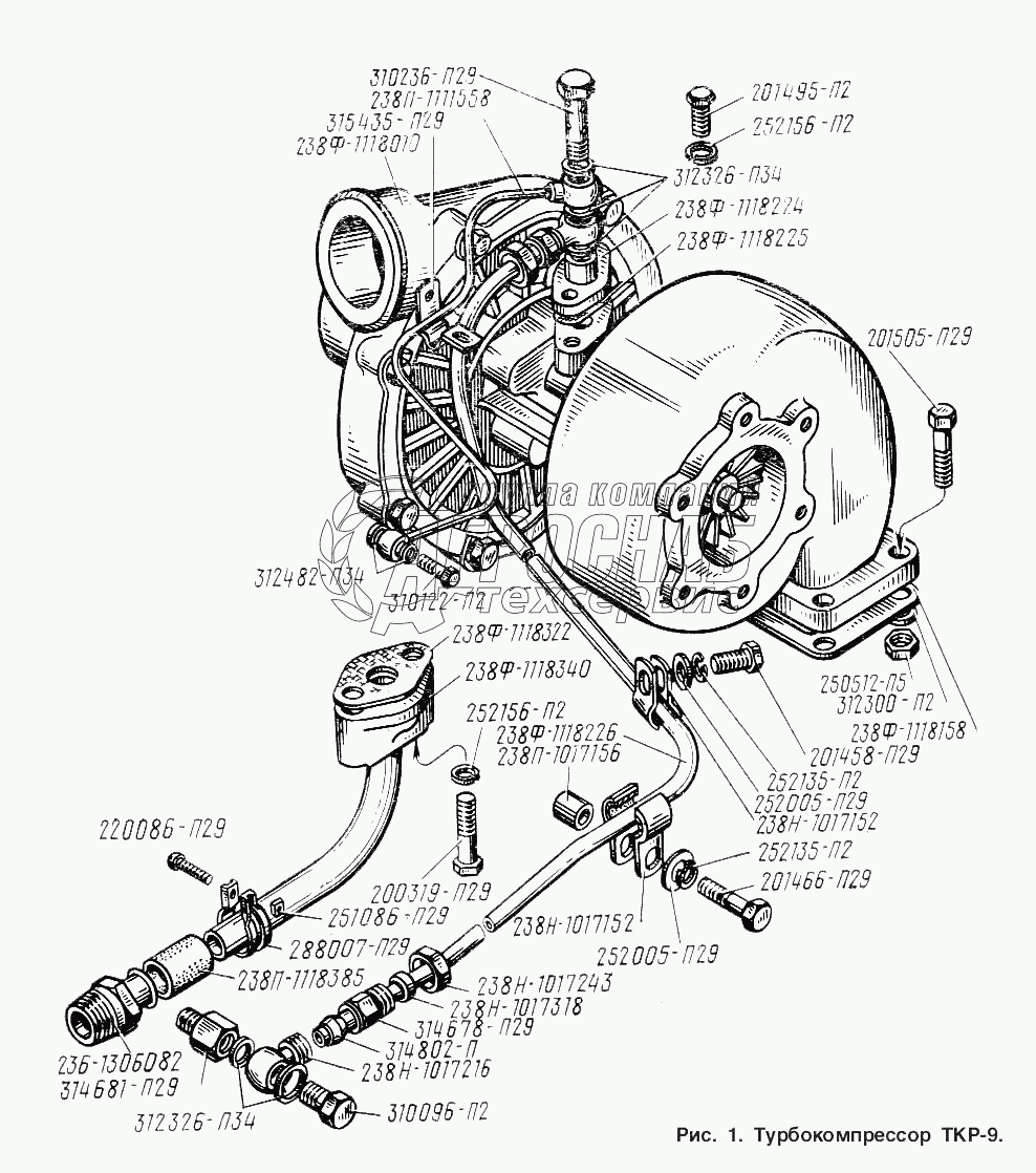
Каталог запасных частей к технике: ЯМЗ-236 М. Турбокомпрессор ТКР-9

Турбокомпрессор ТКР-9

zoom-in zoom-out enlarge shrink circle-right circle-left file-text2 info cart
1
1
2
3
4
5
5
6
7
8
9
10
11
12
12
13
13
14
15
15
16
17
18
19
20
21
22
23
24
25
26
27
28
29
30
31
32
33
34
35
36
37
Изображение Артикул товара Наименование Наличие Единица измерения Количество Цена Корзина
1
252005-П29 Шайба плоская Под заказ шт 0 ₽
2
238Ф-1118158 Прокладка корпуса турбины Под заказ шт 151 ₽151 ₽
3
238П-1017156 Проставка скобы Под заказ -
4
238П-1118385 Рукав Под заказ -
5
238Н-1017152 Скоба крепления трубки Под заказ -
6
238П-1111558 Трубка подвода масла к корректору по наддуву Под заказ шт 1 298 ₽1 298 ₽
7
238Ф-1118226 Трубка подвода масла к турбокомпрессору Под заказ -
8
238Ф-1118010 Турбокомпрессор Под заказ -
9
238Ф-1118224 Фланец турбокомпрессора Под заказ -
10
288007-П29 Хомут Под заказ -
11
238Ф-1118322 Прокладка фланца трубы Под заказ шт 6 ₽6 ₽
12
252135-П2 Шайба пружинная В наличии шт 6 ₽6 ₽
13
252156-П2 Шайба пружинная В наличии шт 4 ₽4 ₽
14
312300-П2 Шайба В наличии шт 70 ₽70 ₽
15
312326-П34 Шайба уплотнительная В наличии шт 119 ₽119 ₽
16
312482-П34 Шайба В наличии шт 124 ₽124 ₽
17
236-1306082 Штуцер трубки слива масла Под заказ -
18
314678-П29 Штуцер проходной Под заказ -
19
314681-П29 Штуцер Под заказ -
20
250512-П5 Гайка Под заказ шт 0 ₽
21
201458-П29 Болт М8х25 В наличии шт 20 ₽20 ₽
22
201466-П29 Болт М8х45 В наличии шт 19 ₽19 ₽
23
201495-П2 Болт Под заказ -
24
201505-П29 Болт М10х45 Под заказ -
25
310096-П2 Болт специальный М14х1,5х30 Под заказ -
26
310122-П2 Болт М10х1х22 Под заказ -
27
310236-П29 Болт В наличии шт 107 ₽107 ₽
28
220086-П29 Винт М5х30 Под заказ -
29
200319-П29 Болт Под заказ -
30
251086-П29 Гайка М5 Под заказ -
31
238Н-1017243 Гайка упорная в сборе Под заказ -
32
315435-П29 Кляммер Под заказ -
33
238Н-1017318 Кольцо Под заказ -
34
314802-П Муфта конусная Под заказ -
35
238Н-1017216 Наконечник Под заказ -
36
238Ф-1118340 Патрубок слива масла в сборе Под заказ -
37
238Ф-1118225 Прокладка Под заказ -
Содержащиеся в справочниках-каталогах запасные части и детали не предлагаются к продаже, а носят исключительно информационный характер


Наши преимущества