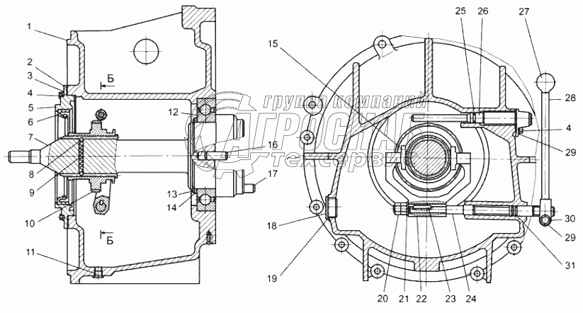
Каталог запасных частей к технике: ТМЗ Дизели ТМЗ-8421 - 85227. Механизм отключения трансмиссии

Механизм отключения трансмиссии

zoom-in zoom-out enlarge shrink circle-right circle-left file-text2 info cart
10
11
12
13
13
14
15
16
17
18
19
20
21
22
23
24
25
26
27
28
29
30
31
32
33
34
35
36
37
38
38
39
40
Изображение Артикул товара Наименование Наличие Единица измерения Количество Цена Корзина
1
8486.1605010-10 Механизм отключения трансмиссии в сборе Под заказ -
2
252139-П2 Шайба 16.ОТ Под заказ -
3
311423-П5 Гайка М16 Под заказ шт 0 ₽
4
8486.1605200 Шпилька Под заказ -
5
252137-П2 Шайба 12.ОТ Под заказ шт 21 ₽21 ₽
6
8486.1605250 Болт Под заказ -
7
8486.1605015-10 Вал с муфтой и подшипником Под заказ -
8
4593181126 Болт М12х1,25х40 Под заказ -
9
8486.1605090 Форсунка с пробкой и кольцом Под заказ -
10
8486.1605050-10 Корпус Под заказ -
11
8486.1605058 Прокладка крышки Под заказ -
12
8486.1605059 Шайба стопорная Под заказ -
13
201497-П29 Болт М10х25 Под заказ шт 18 ₽18 ₽
14
8486.1605055 Крышка Под заказ -
15
8486.1605030 Манжета с пружиной Под заказ -
16
8486.1605020-10 Вал Под заказ -
17
4691185560 Шарик Б7.938-100 Под заказ -
18
8486.1605025-10 Пружина Под заказ -
19
8486.1605022-10 Полумуфта ведомая Под заказ -
20
316121-П29 Пробка К1/4 Под заказ -
21
4,61214E+11 Подшипник 228 Под заказ -
22
8486.1605024 Кольцо Под заказ -
23
8486.1605023 Кольцо Под заказ -
24
8486.1605071 Сухарь Под заказ -
25
8486.1605050 Штифт 20х40 Под заказ -
26
8486.1605160 Штифт 18х55 Под заказ -
27
316162-П2 Пробка М42х2 Под заказ -
28
312659-П Шайба 43 Под заказ -
29
250553-П29 Гайка М16х1,5 Под заказ -
30
252017-П2 Шайба 16 Под заказ -
31
8486.1605070-10 Вилка Под заказ -
32
8486.1605072 Шпонка призматическая Под заказ -
33
8486.1605075-10 Валик Под заказ -
34
2531112066 Кольцо 018-022-25-2-1 Под заказ -
35
8486.1605091 Форсунка с фланцем Под заказ -
36
Т25Б.37.160 Рукоятка Под заказ -
37
8486.1605080 Рычаг Под заказ -
38
252136-П2 Шайба 10.ОТ В наличии шт 13 ₽13 ₽
39
201680-П29 Болт М10х1,25х35 Под заказ шт 61 ₽61 ₽
40
8486.1605076 Кольцо 016-020-25-2-1 Под заказ -
Содержащиеся в справочниках-каталогах запасные части и детали не предлагаются к продаже, а носят исключительно информационный характер


Наши преимущества