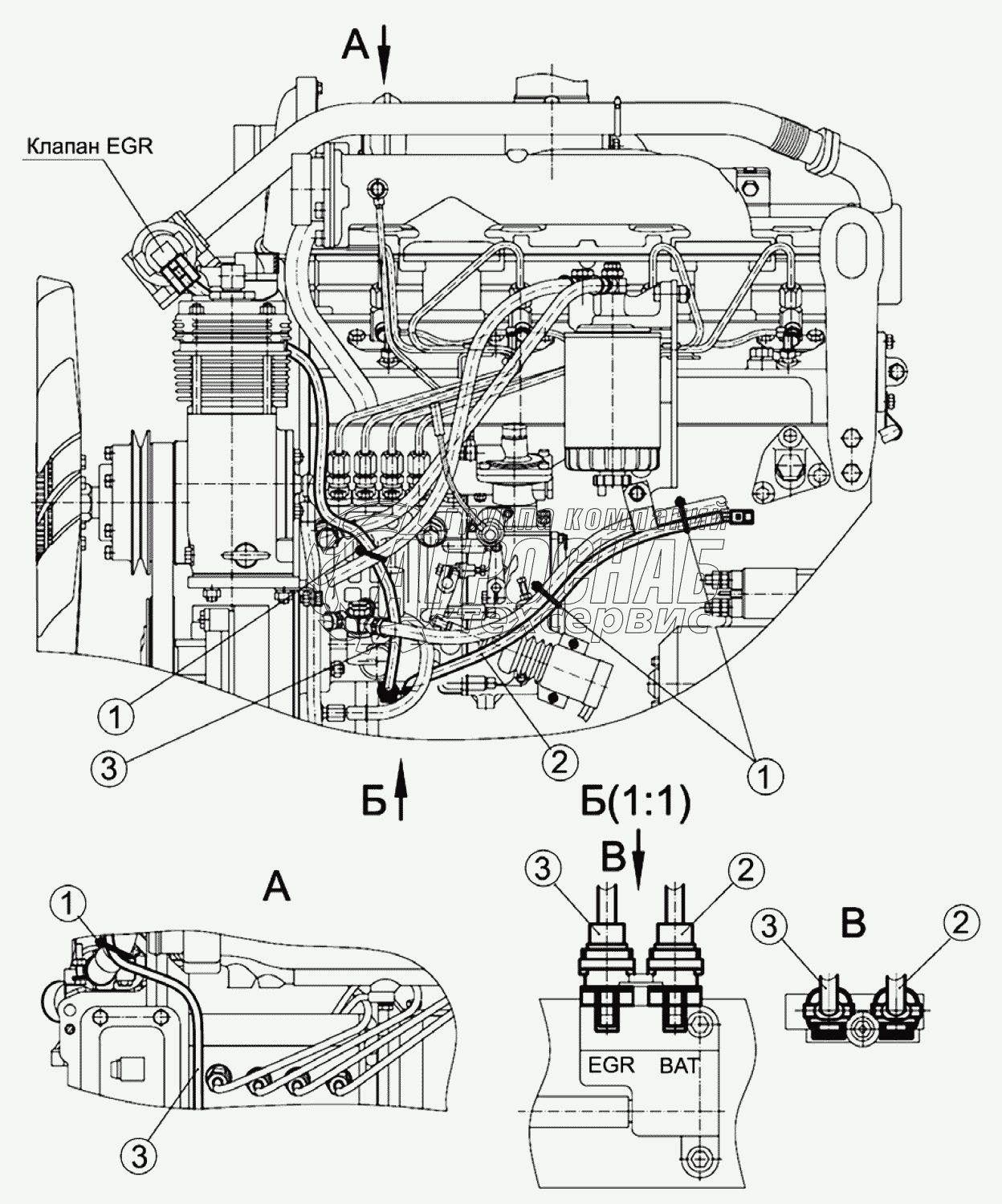
Каталог запасных частей к технике: ММЗ Д-245.43S3АМ-1871. Установка электрооборудования

Установка электрооборудования

zoom-in zoom-out enlarge shrink circle-right circle-left file-text2 info cart
1
2
3
3
3
4
4
4
5
5
5
5
Изображение Артикул товара Наименование Наличие Единица измерения Количество Цена Корзина
1
245-3700040М Установка электрооборудования Под заказ -
2
80-3723045 МАНЖЕТА Под заказ -
3
6430-3724624 ХОМУТ Под заказ -
4
245S3AH-3724010 Жгут Под заказ -
5
245S3AH-3724020 Жгут Под заказ -
Содержащиеся в справочниках-каталогах запасные части и детали не предлагаются к продаже, а носят исключительно информационный характер


Наши преимущества