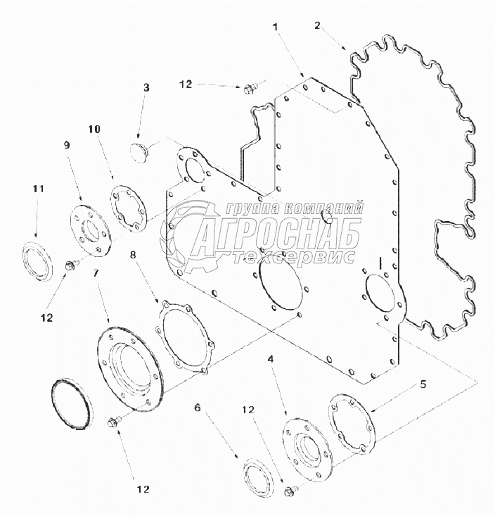
Каталог запасных частей к технике: Cummins Серия ISMe. GG2701-08 Front Gear Cover

GG2701-08 Front Gear Cover

zoom-in zoom-out enlarge shrink circle-right circle-left file-text2 info cart
1
2
3
4
5
6
6
6
6
Изображение Артикул товара Наименование Наличие Единица измерения Количество Цена Корзина
1
4082974 Plug, Gear Cover Под заказ -
2
3328760 Gasket, Carrier Под заказ -
3
3896837 Seal, Dust Под заказ -
4
3328761 Gasket, Carrier Под заказ -
5
3328759 Gasket, Carrier Под заказ -
6
4070462 Screw, Hex Flange Head Cap Под заказ -
Содержащиеся в справочниках-каталогах запасные части и детали не предлагаются к продаже, а носят исключительно информационный характер


Наши преимущества