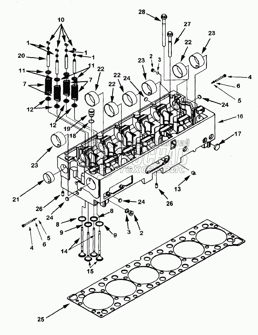
Каталог запасных частей к технике: Cummins QSX-15 I. PP10200 Cylinder Head

PP10200 Cylinder Head

zoom-in zoom-out enlarge shrink circle-right circle-left file-text2 info cart
1
1
2
2
Изображение Артикул товара Наименование Наличие Единица измерения Количество Цена Корзина
1
3678603 Кольцевое уплотнение Под заказ -
2
3901846 Pin, Dowel Под заказ -
Содержащиеся в справочниках-каталогах запасные части и детали не предлагаются к продаже, а носят исключительно информационный характер


Наши преимущества