Каталог запасных частей к технике: Cummins ISF 3.8 (S3154). Картер задних распределительных шестерен

Картер задних распределительных шестерен

zoom-in zoom-out enlarge shrink circle-right circle-left file-text2 info cart
3
3
4
5
6
6
7
7
8
9
9
9
Изображение Артикул товара Наименование Наличие Единица измерения Количество Цена Корзина
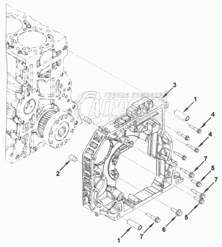
1
ВВ9356 Картер задних распределительных шестерен Под заказ -
2
5257264 Картер распределительных шестерен Под заказ -
3
3954616 Круглый штифт Под заказ -
4
4929128 Футорка с резьбой Под заказ -
5
5257263 Картер распределительных шестерен Под заказ -
6
3901445 Болт с фланцем и шестигранной головкой Под заказ -
7
3903112 Винт, шестигр. головка Под заказ -
8
3910495 Винт с шестигранной головкой Под заказ -
9
3918153 Болт с фланцем и шестигранной головкой Под заказ -
Содержащиеся в справочниках-каталогах запасные части и детали не предлагаются к продаже, а носят исключительно информационный характер


Наши преимущества