Каталог запасных частей к технике: Cummins ISF 2.8 (S3129T). Корпус термостата

Корпус термостата

zoom-in zoom-out enlarge shrink circle-right circle-left file-text2 info cart
4
5
6
7
8
9
10
11
12
13
14
Изображение Артикул товара Наименование Наличие Единица измерения Количество Цена Корзина
1
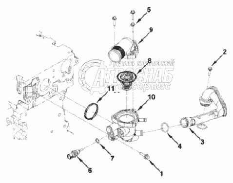
TH9126 Корпус термостата Под заказ -
2
5265278 Водяная перепускная труба Под заказ -
3
5267237 Assembly, Thermostat Hsg Под заказ -
4
3900631 Винт с шестигранной головкой Под заказ -
5
3901865 Болт с фланцем и шестигранной головкой Под заказ -
6
5254518 Перекачивающий водяной патрубок Под заказ -
7
5265277 Уплотнительное кольцо Под заказ -
8
3902023 Болт Под заказ -
9
4954905 Датчик температуры Под заказ шт 700 ₽700 ₽
10
4010519 Уплотнительное кольцо Под заказ -
11
5257076 Термостат Под заказ -
12
5263134 Выходной водяной патрубок Под заказ -
13
5264757 Корпус термостата Под заказ -
14
5266796 Seal, Diamond Ring Под заказ -
Содержащиеся в справочниках-каталогах запасные части и детали не предлагаются к продаже, а носят исключительно информационный характер


Наши преимущества