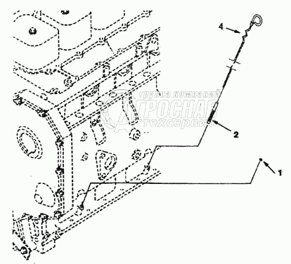
Каталог запасных частей к технике: Cummins-4BT3.9. OIL LEVEL GAUGE

OIL LEVEL GAUGE

zoom-in zoom-out enlarge shrink circle-right circle-left file-text2 info cart
1
2
3
Изображение Артикул товара Наименование Наличие Единица измерения Количество Цена Корзина
1
3900955 Вогнутая заглушка Под заказ -
2
3905425 Tube, Oil Gauge Под заказ -
3
3905782 Dipstick Под заказ -
Содержащиеся в справочниках-каталогах запасные части и детали не предлагаются к продаже, а носят исключительно информационный характер


Наши преимущества