Каталог запасных частей к технике: Cummins-4BT3.9. FUEL SYSTEM ACCESSORIES

FUEL SYSTEM ACCESSORIES

zoom-in zoom-out enlarge shrink circle-right circle-left file-text2 info cart
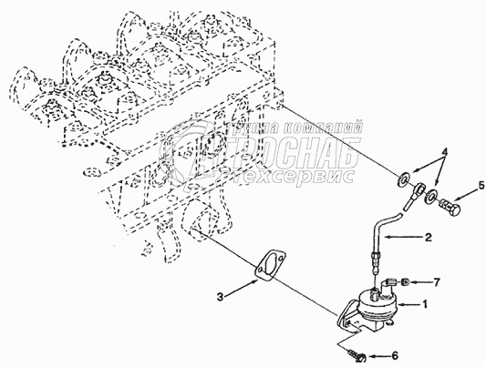
1
2
3
4
5
6
7
Изображение Артикул товара Наименование Наличие Единица измерения Количество Цена Корзина
1
3904374 Pump, Fuel Transfer Под заказ -
2
3905649 Tube, Fuel Supply Под заказ -
3
3914304 Gasket, Cover Plate Под заказ -
4
3918191 Washer, Sealing Под заказ -
5
3903035 Screw, Banjo Connector Под заказ -
6
3900631 Винт с шестигранной головкой Под заказ -
7
3008466 PLUG, PIPE Под заказ -
Содержащиеся в справочниках-каталогах запасные части и детали не предлагаются к продаже, а носят исключительно информационный характер


Наши преимущества