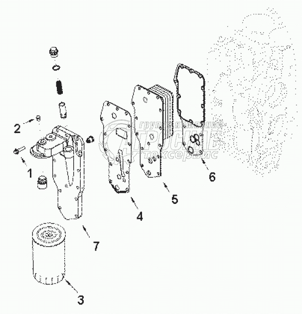
Каталог запасных частей к технике: Cummins 6BTA5.9-C155. LC9020ZZ Cooler, engine oil

LC9020ZZ Cooler, engine oil

zoom-in zoom-out enlarge shrink circle-right circle-left file-text2 info cart
1
2
Изображение Артикул товара Наименование Наличие Единица измерения Количество Цена Корзина
1
C3900632 Болт Под заказ -
2
C3906619 Пробка Под заказ -
Содержащиеся в справочниках-каталогах запасные части и детали не предлагаются к продаже, а носят исключительно информационный характер


Наши преимущества