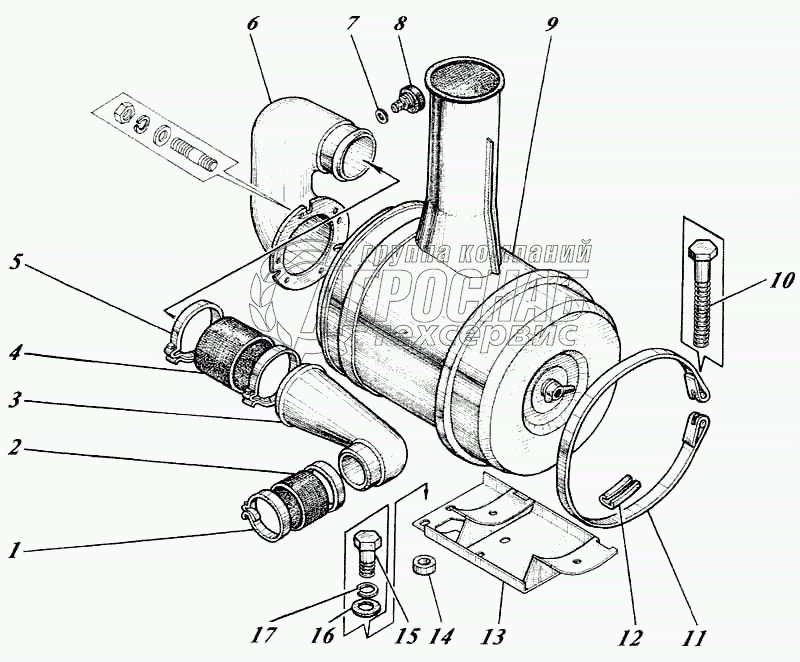
Каталог запасных частей к технике: Алтайдизель Д-442И. Установка воздухоочистителя 442-12c1

Установка воздухоочистителя 442-12c1

zoom-in zoom-out enlarge shrink circle-right circle-left file-text2 info cart
2
3
4
5
6
7
8
9
10
11
12
13
14
15
16
17
18
19
Изображение Артикул товара Наименование Наличие Единица измерения Количество Цена Корзина
1
442-12с1 Воздухоочиститель Под заказ -
2
440-12с9 Хомут Под заказ -
3
440-1235-10 Шланг соединительный Под заказ -
4
444-1209 Труба Под заказ -
5
442-12с12 Труба Под заказ -
6
01-1235 Шланг соединительный Под заказ -
7
01М-06с28-01 Хомут Под заказ -
8
442-12с9 Патрубок Под заказ -
9
16-210 Прокладка Под заказ -
10
132.38.39600 Датчик сигнализатора засоренности воздушного фильтра Под заказ -
11
461-12с2-6 Воздухоочиститель Под заказ -
12
Болт [4601-3024] Болт Под заказ -
13
461-12с31-5 Хомут Под заказ -
14
КДМ0369 Прокладка Под заказ -
15
461-12с7-6 Плита Под заказ -
16
442-1205 Втулка дистанционная Под заказ -
17
Болт М12-6gх50.88.35.016 [7796] Болт М12-6gх50.88.35.016 Под заказ -
18
Шайба А12.01.08кп.013 [11371] Шайба А12.01.08кп.013 Под заказ -
19
Шайба 12.65Г.05 [6402] Шайба 12.65Г.05 Под заказ -
Содержащиеся в справочниках-каталогах запасные части и детали не предлагаются к продаже, а носят исключительно информационный характер


Наши преимущества