Каталог запасных частей к технике: Алтайдизель Д-442. Установка механизма уравновешивания 41-23с1-3

Установка механизма уравновешивания 41-23с1-3

zoom-in zoom-out enlarge shrink circle-right circle-left file-text2 info cart
2
3
3
4
5
5
6
7
8
9
10
11
11
12
13
Изображение Артикул товара Наименование Наличие Единица измерения Количество Цена Корзина
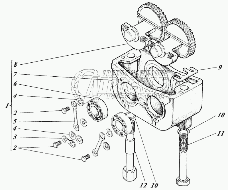
1
41-23с1-3 Установка механизма уравновешивания Под заказ -
2
41-23с3 Механизм уравновешивания Под заказ шт 8 190 ₽8 190 ₽
3
Болт М8-6gх16.88.35.013 [7798] Болт М8-6gх16.88.35.013 Под заказ -
4
Шайба замковая [41-2319] Шайба замковая Под заказ -
5
Шайба [41-2315-1] Шайба Под заказ -
6
Шайба замковая [41-2318] Шайба замковая Под заказ -
7
12507КМ Подшипник роликовый (Механизм уравновешивания) Под заказ -
8
41-2301-3 Корпус механизма уравновешивания Под заказ -
9
41-2303-5 Груз-шестерня Под заказ -
10
41-2314-1 Прокладка регулировочная Под заказ -
11
Шайба [6Т2-0141] Шайба Под заказ -
12
Болт крепления крышки коренного подшипника [01М-0110-02] Болт крепления крышки коренного подшипника Под заказ -
13
Болт [41-2308-1] Болт Под заказ -
Содержащиеся в справочниках-каталогах запасные части и детали не предлагаются к продаже, а носят исключительно информационный характер


Наши преимущества